理科用実験台
生徒用実験台 GPシリーズ

製品ラインナップ
生徒用実験台GP1シリーズ
折りたたみ式壁付水栓タイプ・流しふたつき
共通仕様
| 天板 | サイファス ポリプロピレン製エッジ 厚さ30mm |
|---|---|
| 本体 | 両面化粧パーチクルボード |
| 流し | 陶器製 一体型目皿式ベルトラップつき ※ガスコックは付属しません。 |
オプション
- ※ノズル型/泡沫型(オプション)交換可能
化学水栓 BSシリーズ
ポリエステル粉体塗装仕上げ180度 開閉式
ノズル型/泡沫型(オプション)交換可能
BS-14BSN
壁付折りたたみ式2方口
壁付折りたたみ式2方口

BS-42BS
台付2方口
台付2方口

BS-43DS
台付4方口
台付4方口

化学水栓
NS14BT1-F
壁付折りたたみ式2方口
※吐出口交換可能タイプもあります。
壁付折りたたみ式2方口
※吐出口交換可能タイプもあります。

T42B
台付2方口 1/2”
台付2方口 1/2”

T43D
台付振分け式4方口 1/2″
台付振分け式4方口 1/2″

コンセント
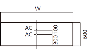
AC-100W
125V15A
2P2連
125V15A
2P2連

AC-101W
アースつき
125V15A 3P2連
アースつき
125V15A 3P2連

USB付きコンセント
AC-100USBW
AC:100V14A
USB:DC5V2.4A
AC:100V14A
USB:DC5V2.4A

LAN用コンセント(cat-6)

- ※金属プレートもございます。
卓上コンセントボックス
TB-100 両面用
W130×D110×H82mm※コンセントは別途 3P2連
W130×D110×H82mm※コンセントは別途 3P2連

カラーオプション (引き出し・扉)
使用材料:ポリエステル化粧合板

GP1-A

両面8人用
- 付属品
- 折りたたみ式壁付水栓BS14BSN×2
- 流しふた×2
寸法(型式)
| 形名 | 幅(mm) | 奥行き(mm) | 高さ(mm) | 重さ(kg) | 本体価格 | コード |
|---|---|---|---|---|---|---|
| GP1-A30 | 3000 | 900 | 800 (760・670) |
210 | ¥553,000(税込¥608,300) | 311-15028-01 |
| GP1-A36 | 3600 | 237 | ¥571,000(税込¥628,100) | 311-15029-01 |
- ※商品によっては、送料や据付費用が必要となる場合もございます。詳細はお問い合わせください。
配管立ち上がり

GP1-B

両面4人用
- 付属品
- 折りたたみ式壁付水栓BS14BSN×1
- 流しふた×1
寸法(型式)
| 形名 | 幅(mm) | 奥行き(mm) | 高さ(mm) | 重さ(kg) | 本体価格 | コード |
|---|---|---|---|---|---|---|
| GP1-B18 | 1800 | 900 | 800 (760・670) |
125 | ¥365,000(税込¥401,500) | 311-15030-01 |
| GP1-B21 | 2100 | 138 | ¥377,000(税込¥414,700) | 311-15031-01 | ||
| GP1-B24 | 2400 | 152 | ¥388,000(税込¥426,800) | 311-15032-01 |
- ※商品によっては、送料や据付費用が必要となる場合もございます。詳細はお問い合わせください。
配管立ち上がり

GP1-C

片面4人用
- 付属品
- 折りたたみ式壁付水栓BS14BSN×1
- 流しふた×1
寸法(型式)
| 形名 | 幅(mm) | 奥行き(mm) | 高さ(mm) | 重さ(kg) | 本体価格 | コード |
|---|---|---|---|---|---|---|
| GP1-C24 | 2400 | 600 | 800 (760・670) |
132 | ¥356,000(税込¥391,600) | 311-15033-01 |
| GP1-C30 | 3000 | 151 | ¥361,000(税込¥397,100) | 311-15034-01 |
- ※商品によっては、送料や据付費用が必要となる場合もございます。詳細はお問い合わせください。
配管立ち上がり

GP1-D

片面4人用
- 付属品
- 折りたたみ式壁付水栓BS14BSN×1
- 流しふた×1
寸法(型式)
| 形名 | 幅(mm) | 奥行き(mm) | 高さ(mm) | 重さ(kg) | 本体価格 | コード |
|---|---|---|---|---|---|---|
| GP1-D30 | 3000 | 600 | 800 (760・670) |
151 | ¥361,000(税込¥397,100) | 311-15035-01 |
- ※商品によっては、送料や据付費用が必要となる場合もございます。詳細はお問い合わせください。
配管立ち上がり

生徒用実験台GP2シリーズ
台付水栓タイプ
共通仕様
| 天板 | サイファス ポリプロピレン製エッジ 厚さ30mm |
|---|---|
| 本体 | 両面化粧パーチクルボード |
| 流し | 陶器製 一体型目皿式ベルトラップつき ※ガスコックは付属しません。 |
GP2-A

両面8人用
- 付属品
- 台付水栓BS43DS
寸法(型式)
| 形名 | 幅(mm) | 奥行き(mm) | 高さ(mm) | 重さ(kg) | 本体価格 | コード |
|---|---|---|---|---|---|---|
| GP2-A30 | 3000 | 900 | 800 (760・670) |
212 | ¥495,000(税込¥544,500) | 311-15038-01 |
| GP2-A36 | 3600 | 239 | ¥515,000(税込¥566,500) | 311-15039-01 |
- ※商品によっては、送料や据付費用が必要となる場合もございます。詳細はお問い合わせください。
配管立ち上がり

GP2-B

両面4人用
- 付属品
- 台付水栓BS42BS ×1
寸法(型式)
| 形名 | 幅(mm) | 奥行き(mm) | 高さ(mm) | 重さ(kg) | 本体価格 | コード |
|---|---|---|---|---|---|---|
| GP2-B18 | 1800 | 900 | 800 (760・670) |
126 | ¥350,000(税込¥385,000) | 311-15040-01 |
| GP2-B21 | 2100 | 139 | ¥361,000(税込¥397,100) | 311-15041-01 | ||
| GP2-B24 | 2400 | 153 | ¥373,000(税込¥410,300) | 311-15042-01 |
- ※商品によっては、送料や据付費用が必要となる場合もございます。詳細はお問い合わせください。
配管立ち上がり

GP2-C

片面4人用
- 付属品
- 台付水栓BS42BS ×1
寸法(型式)
| 形名 | 幅(mm) | 奥行き(mm) | 高さ(mm) | 重さ(kg) | 本体価格 | コード |
|---|---|---|---|---|---|---|
| GP2-C24 | 2400 | 600 | 800 (760・670) |
133 | ¥340,000(税込¥374,000) | 311-15043-01 |
| GP2-C30 | 3000 | 152 | ¥347,000(税込¥381,700) | 311-15044-01 |
- ※商品によっては、送料や据付費用が必要となる場合もございます。詳細はお問い合わせください。
配管立ち上がり

GP2-D

片面4人用
- 付属品
- 台付水栓BS42BS ×1
寸法(型式)
| 形名 | 幅(mm) | 奥行き(mm) | 高さ(mm) | 重さ(kg) | 本体価格 | コード |
|---|---|---|---|---|---|---|
| GP2-D30 | 3000 | 600 | 800 (760・670) |
152 | ¥347,000(税込¥381,700) | 311-15045-01 |
- ※商品によっては、送料や据付費用が必要となる場合もございます。詳細はお問い合わせください。
配管立ち上がり

生徒用実験台GP3シリーズ
共通仕様
| 天板 | サイファス ポリプロピレン製エッジ 厚さ30mm |
|---|---|
| 本体 | 両面化粧パーチクルボード ※ガスコックは付属しません。 |
GP3-A

両面8人用
ガス使用
寸法(型式)
| 形名 | 幅(mm) | 奥行き(mm) | 高さ(mm) | 重さ(kg) | 本体価格 | コード |
|---|---|---|---|---|---|---|
| GP3-A24 | 2400 | 900 | 800 (760・670) |
156 | ¥280,000(税込¥308,000) | 311-15047-01 |
| GP3-A30 | 3000 | 183 | ¥320,000(税込¥352,000) | 311-15048-01 |
- ※商品によっては、送料や据付費用が必要となる場合もございます。詳細はお問い合わせください。
配管立ち上がり

GP3-B

両面8人用
ガスなし
寸法(型式)
| 形名 | 幅(mm) | 奥行き(mm) | 高さ(mm) | 重さ(kg) | 本体価格 | コード |
|---|---|---|---|---|---|---|
| GP3-B24 | 2400 | 900 | 800 (760・670) |
156 | ¥278,000(税込¥305,800) | 311-15049-01 |
| GP3-B30 | 3000 | 183 | ¥306,000(税込¥336,600) | 311-15050-01 |
- ※商品によっては、送料や据付費用が必要となる場合もございます。詳細はお問い合わせください。
配管立ち上がり

GP3-C

両面4人用
ガス使用
寸法(型式)
| 形名 | 幅(mm) | 奥行き(mm) | 高さ(mm) | 重さ(kg) | 本体価格 | コード |
|---|---|---|---|---|---|---|
| GP3-C15 | 1500 | 900 | 800 (760・670) |
99 | ¥195,000(税込¥214,500) | 311-15051-01 |
| GP3-C18 | 1800 | 113 | ¥208,000(税込¥228,800) | 311-15052-01 |
- ※商品によっては、送料や据付費用が必要となる場合もございます。詳細はお問い合わせください。
配管立ち上がり

GP3-D

両面4人用
ガスなし
寸法(型式)
| 形名 | 幅(mm) | 奥行き(mm) | 高さ(mm) | 重さ(kg) | 本体価格 | コード |
|---|---|---|---|---|---|---|
| GP3-D15 | 1500 | 900 | 800 (760・670) |
99 | ¥190,000(税込¥209,000) | 311-15053-01 |
| GP3-D18 | 1800 | 113 | ¥201,000(税込¥221,100) | 311-15054-01 |
- ※商品によっては、送料や据付費用が必要となる場合もございます。詳細はお問い合わせください。
配管立ち上がり

GP3-E

片面4人用
ガス使用
寸法(型式)
| 形名 | 幅(mm) | 奥行き(mm) | 高さ(mm) | 重さ(kg) | 本体価格 | コード |
|---|---|---|---|---|---|---|
| GP3-E24 | 2400 | 600 | 800 (760・670) |
120 | ¥231,000(税込¥254,100) | 311-15056-01 |
| GP3-E30 | 3000 | 140 | ¥255,000(税込¥280,500) | 311-15057-01 |
- ※商品によっては、送料や据付費用が必要となる場合もございます。詳細はお問い合わせください。
配管立ち上がり

GP3-F

片面4人用
ガスなし
寸法(型式)
| 形名 | 幅(mm) | 奥行き(mm) | 高さ(mm) | 重さ(kg) | 本体価格 | コード |
|---|---|---|---|---|---|---|
| GP3-F24 | 2400 | 600 | 800 (760・670) |
120 | ¥219,000(税込¥240,900) | 311-15058-01 |
| GP3-F30 | 3000 | 140 | ¥243,000(税込¥267,300) | 311-15059-01 |
- ※商品によっては、送料や据付費用が必要となる場合もございます。詳細はお問い合わせください。
配管立ち上がり

GP3-G

片面2人用
ガス使用
寸法(型式)
| 形名 | 幅(mm) | 奥行き(mm) | 高さ(mm) | 重さ(kg) | 本体価格 | コード |
|---|---|---|---|---|---|---|
| GP3-G15 | 1500 | 600 | 800 (760・670) |
77 | ¥161,000(税込¥177,100) | 311-15060-01 |
| GP3-G18 | 1800 | 87 | ¥173,000(税込¥190,300) | 311-15061-01 |
- ※商品によっては、送料や据付費用が必要となる場合もございます。詳細はお問い合わせください。
配管立ち上がり

GP3-H

片面2人用
ガスなし
寸法(型式)
| 形名 | 幅(mm) | 奥行き(mm) | 高さ(mm) | 重さ(kg) | 本体価格 | コード |
|---|---|---|---|---|---|---|
| GP3-H15 | 1500 | 600 | 800 (760・670) |
77 | ¥155,000(税込¥170,500) | 311-15062-01 |
| GP3-H18 | 1800 | 87 | ¥167,000(税込¥183,700) | 311-15063-01 |
- ※商品によっては、送料や据付費用が必要となる場合もございます。詳細はお問い合わせください。
配管立ち上がり

生徒用実験台GPシリーズ/GX-P
共通仕様
| 天板 | サイファス ポリプロピレン製エッジ 厚さ30mm |
|---|---|
| 本体 | 両面化粧パーチクルボード ※ガスコックは付属しません。 |
GP1-E

6角形4人用
折りたたみ式壁付水栓
- 流し
- 陶器製
一体型目皿式ベルトラップつき
- 付属品
- 折りたたみ式壁付水栓BS14BSN×1
- 流しふた×1
寸法(型式)
| 形名 | 幅(mm) | 奥行き(mm) | 高さ(mm) | 重さ(kg) | 本体価格 | コード |
|---|---|---|---|---|---|---|
| GP1-E18 | 1800 | 900 | 800 (760・670) |
163 | ¥396,000(税込¥435,600) | 311-15036-01 |
| GP1-E21 | 2100 | 180 | ¥439,000(税込¥482,900) | 311-15037-01 |
- ※商品によっては、送料や据付費用が必要となる場合もございます。詳細はお問い合わせください。
配管立ち上がり

GP2-E

6角形4人用
台付水栓
- 流し
- 陶器製
一体型目皿式ベルトラップつき
- 付属品
- 台付水栓BS42BS×1
寸法(型式)
| 形名 | 幅(mm) | 奥行き(mm) | 高さ(mm) | 重さ(kg) | 本体価格 | コード |
|---|---|---|---|---|---|---|
| GP2-E18 | 1800 | 900 | 800 (760・670) |
164 | ¥378,000(税込¥415,800) | 311-15046-01 |
| GP2-E21 | 2100 | 181 | ¥421,000(税込¥463,100) | 311-15046-02 |
- ※商品によっては、送料や据付費用が必要となる場合もございます。詳細はお問い合わせください。
配管立ち上がり

GX-P
理科実験テーブル
8角形
GX-PW仕様
- 付属品
- 陶器流し SK-138×1,グースネック水栓×2



寸法(型式)
| 形名 | 幅(mm) | 奥行き(mm) | 高さ(mm) | 重さ(kg) | 本体価格 | コード |
|---|---|---|---|---|---|---|
| GX-PW | 900 | 900 | 800 | 137 | ¥362,000(税込¥398,200) | 311-05066-01 |
| GX-PS | 1200 | 900 | 148 | ¥308,000(税込¥338,800) | 311-05065-01 | |
| GX-PA | 1800 | 1800 | 299 | ¥649,000(税込¥713,900) | 311-05064-01 |
- ※商品によっては、送料や据付費用が必要となる場合もございます。詳細はお問い合わせください。
自由に組み合わせて伸びていく8 角形

カタログ
3種類の総合カタログをご用意

展示室
当社の製品や技術をより理解いただける展示室
- [東京]
- [京都]













